EMUL系列高剪切乳化機是本企業吸取消化國外技術和工藝研制開發生產的新產品。高剪切乳化機攪拌頭結構,集分散、溶解、乳化、粉碎四大功能于一-體, 能有效地為您解決各種混合難題。轉子與定子的精密配合,確保了被加工物料每分鐘受到幾十萬次的高速剪切,這是本設備成功的關鍵。是取代膠體磨、球蘑機、均質機的理想設備。
EMUL系列高剪切乳化機是本企業吸取消化國外技術和工藝研制開發生產的新產品,各項指標達到國內水平。產品質量符合GMP技術要求IS09001認證產品,是食品、飲料、化工、生化、石化,顏料、染料、涂料、制藥等領域必不可少乳化均質機械設備,對油包水和水包油物料的乳化和均質有較好的效果。企業生產的EMUL系列高剪切乳化機總體結構簡單、體積小、重量輕、易操作、噪音低及運轉平穩諸優點,其具有大特點在生產工藝流程中不采用研磨介質,集高速剪切、分散、乳均、均質、混合、破碎,輸送于一體,為企業提高工作效率,節省每個乳化均質過程所需的時間。
應用范圍:
化學工業:油漆、顏料、染料、涂料、潤滑油、合成脂、潤滑脂、柴油、石油催化劑、乳化瀝青、改性瀝青、石臘、膠粘劑、洗滌劑、塑料、炸藥、玻璃鋼、合成革、樹脂、塑料、皮革及乳化炸藥等。
食品工業:辣椒醬、芝麻、果茶、冰淇淋、奶油、果醬、果汁、大豆、豆醬、豆沙、花生奶、蛋白奶、豆奶、乳制品,麥乳精、香精、調味品、各種食品飲料等。
醫藥工業:各型糖漿、營養液、中成藥、膏狀藥劑、生物制劑、魚肝油、花粉、蜂皇漿、疫苗、各種藥膏、各種口服液、殺菌劑、針劑、抗菌素、微膠囊及靜滴液等。
日用化工:牙膏、洗滌劑、面霜、唇膏、洗面奶、洗發精、鞋油、化妝品、沐浴精、肥皂、混疑劑、香料及香脂等。
造紙工業:紙漿、膠黏劑、松香乳化、造紙助劑、樹脂乳化等。
建筑工業:各種涂料。包括內外墻涂料、防腐防水涂料、冷瓷涂料、多彩涂料、陶瓷釉料、納米涂料及噴涂等。
其它工業:紡織工業、煤炭浮選劑、稀土、納米材料分散解聚、反應萃取及軍工等領域。
農藥工業:殺菌劑、種衣劑、除草劑、農藥乳油、化肥、生化農藥、生物農藥等
高剪切乳化機的特征:
●適用于常壓、密閉工況
●適用溫度:-40℃~140℃,超出溫度范圍需要定制
●適用于分散、乳化、均質、溶解
●電源:380V、50/60Hz
●接觸物料材料:304/316L,特殊材料需要定制
●軸套材料:銅/PTFE,特殊材料需要定制
●密封形式:骨架密封
●可選配工作頭:F5、F6、F7、F8
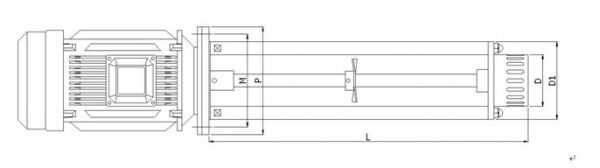
高剪切乳化機的主要參數和尺寸
型號 | 功率KW | 轉速 rpm | 處理量L | D | D1 | P | L | M |
EMUL 90 | 1.5 | 2900 | 5-50 | 80 | 140 | 200 | 355 | 165 |
EMUL 100 | 2.2 | 2900 | 50-100 | 88 | 145 | 200 | 650 | 165 |
EMUL 120 | 4 | 2900 | 100-300 | 120 | 180 | 250 | 750 | 215 |
EMUL 140 | 7.5 | 2900 | 200-800 | 140 | 210 | 300 | 900 | 265 |
EMUL 160 | 11 | 2900 | 300-1000 | 160 | 230 | 350 | 1050 | 300 |
EMUL 180 | 18.5 | 2900 | 500-1500 | 180 | 260 | 350 | 1200 | 300 |
EMUL 200 | 22 | 1450 | 800-2000 | 200 | 270 | 350 | 1200 | 300 |
EMUL 220 | 30 | 1450 | 1000-3000 | 240 | 320 | 400 | 1355 | 350 |
EMUL 240 | 37 | 1450 | 1500-5000 | 260 | 340 | 400 | 1395 | 350 |
